首页
关于公海gh555000aa线路检测
企业简介
企业文化
发展历程
技术研发
企业风采
荣誉资质
产品与应用
振动电机
振动机械
应用案例
多媒体画册
售后保障
振动电机售后
振动机械售后
媒体中心
VR全景
公司动态
行业动态
联系我们
首页
>>
售后保障
>>
振动电机售后
振动电机售后
振动机械售后
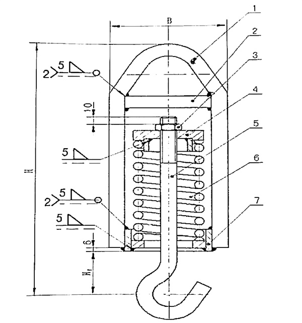
减振器故障分析
所有振动设备都包括用于给料或筛分机体、提供激振力的激振源、用于隔振的减振装置。每个部件都是振动设备重要组成部分。振动设备使用中常发生一些减振弹簧故障问题,现就减···
08-20
2025
电机振动和噪声因素原因分析
在实际的生产制造过程中,振动和噪声是相伴而行的一对问题,特别是机械噪声,其根本的原因是振动,也就是说,控制机械噪声应从消除机械振动入手。端盖的轴向振动是机械噪声···
10-16
2023
电机轴承运转中的检查与故障处理
电机轴承运转中的检查项目有轴承的滚动声、振动、温度、润滑的状态等,具体情况如下:1轴承的滚动声采用测声器对运转中的轴承的滚动声的大小及音质进行检查,轴承即使有轻微···
10-16
2023
电动机常见的九种故障及排除方法
一、电动机不能启动 产生原因1、电源未接通;2、绕组断路;3、绕组接地或相间短路;4、绕组接线错误;5、熔体烧断;6、控制设备接线错误。排除方法1、检查开关、熔体、各接···
10-16
2023
<<
1
1/1
>>
在线客服系统
0724-4223279
服务热线
zxxy@xinyujd.com
企业邮箱
钟祥市经济开发区长寿二路42号
公司地址
关于公海gh555000aa线路检测
企业简介
企业文化
发展历程
技术研发
企业风采
荣誉资质
产品与应用
振动电机
振动机械
应用案例
多媒体画册
售后保障
振动电机售后
振动机械售后
媒体中心
VR全景
公司动态
行业动态
Copyright ? 2023 钟祥公海gh555000aa线路检测机电制造股份有限公司 All Rights Reserved.
鄂ICP备09012154号-20
技术支持:
荆门鑫网
首页
关于公海gh555000aa线路检测
企业简介
企业文化
发展历程
技术研发
企业风采
荣誉资质
产品与应用
振动电机
振动机械
应用案例
多媒体画册
售后保障
振动电机售后
振动机械售后
媒体中心
VR全景
公司动态
行业动态
联系我们